TCP3-F25-MR1-b日本JTEKT捷太格特齿轮泵TCP3-F25-MR1-B的详细资料:
日本JTEKT捷太格特齿轮泵日本JTEKT捷太格特齿轮泵TCP3-F25-MR1-B
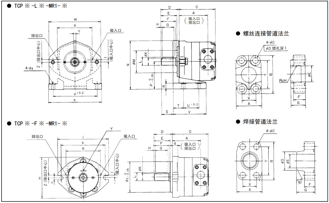
日本JTEKT捷太格TCP特齿轮泵具有低噪音、高输出功率、高效率小型轻量化的特点,适用于造船业机械的液压装置。

特点
脉动小,低频率低噪音。
2. 部件数量少,小型化。另外,主体使用特殊的铝合金材料,故重量轻。
3. 结构简单,轴承采用滑动轴承 (平面金属),故寿命长。
4. 高压、高效率

日本JTEKT捷太格特齿轮泵日本JTEKT捷太格特齿轮泵TCP3-F25-MR1-B
使用注意事项
● 使用水乙二醇类工作油时,请在型号末尾注明 G。其Max.转速为 1,200min-1。关于水乙二醇类工作油的品种,敬请垂询。
● 从机轴端观察,标准转向为右转 (顺时针方向)。如果您要求左转,请联系将型号 MR1 改为 ML1。左转时的排出口和吸入口与右转相反。
● 在Max.压力下使用时,请将每次压力上升时间控制在 3sec 之内,总计时间控制在总工作时间的 1/10 之内。
● 当排出压力在 10MPa 以上时,推荐使用 ISOVG46 工作油。但是,当冬季环境温度保持在 6 ℃以下时,请更换为 ISOVG32 工作油。
● 工作油粘度推荐值为 100 ~ 20mm2/s对于 ISOVG32,请在 0 ~ 60 ℃ (350 ~ 15mm2/s)范围之内使用。对于 ISOVG46,请在 6 ~ 60 ℃ (350 ~ 18mm2/s)范围之内使用。
● 请在 0 ~ 60 ℃的环境温度下使用。
● 请使用 R & O 型、耐磨损型工作油。
● 请在吸入端设置 100 ~ 150 网眼 (100 ~ 150 μ m)的吸滤器 (滤网)。
● 请将吸入压力设置在 -0.03MPa ~ +0.03MPa 范围之内。
● 由原动机直接驱动泵。如果您需要使用其它驱动方法,敬请垂询。
● 轴的连接采取了不向泵轴上施加径向负载、轴向负载的构造,所以请使用挠性联轴器。拆装联轴器或泵时,请不要对泵的轴部施加敲打等冲击力。否则会导致泵烧坏,或者寿命减短。请保持原动机与泵轴的偏心在 0.05mm 以下,角度误差在 0.5 度以内。
● 为避免因工作油杂质而造成故障,延长泵的使用寿命,推荐在油罐回路中安装10 ~ 20 μ m 的管路过滤器。
● 可通过安装脚座,将法兰式改为脚座式。

日本JTEKT捷太格特齿轮泵日本JTEKT捷太格特齿轮泵TCP3-F25-MR1-B
关键词:JTEKT齿轮泵 捷太格特齿轮泵 TOYOOKI齿轮泵 丰兴齿轮泵 JTEKT油泵 捷太格特油泵 TOYOOKI油泵 丰兴油泵
| 如果你对TCP3-F25-MR1-b日本JTEKT捷太格特齿轮泵TCP3-F25-MR1-B感兴趣,想了解更详细的产品信息,填写下表直接与厂家联系: |


